收藏我们
网站地图
欢迎来到浙江新黎明照明股份有限公司官网!
浙江新黎明照明股份有限公司
服务热线:15888225320
首页
公司简介
公司介绍
企业文化
产品展厅
产品中心
消防应急照明和疏散指示系统
防爆免维护(三防)LED灯具系列
厂用防爆灯具系列
防爆电器系列
防爆防腐电器系列
防爆风机系列
防爆管件系列
荣誉资质
资料下载
解决方案
新闻中心
公司新闻
技术动态
联系我们
首页
产品中心
防爆电器系列
产品展示
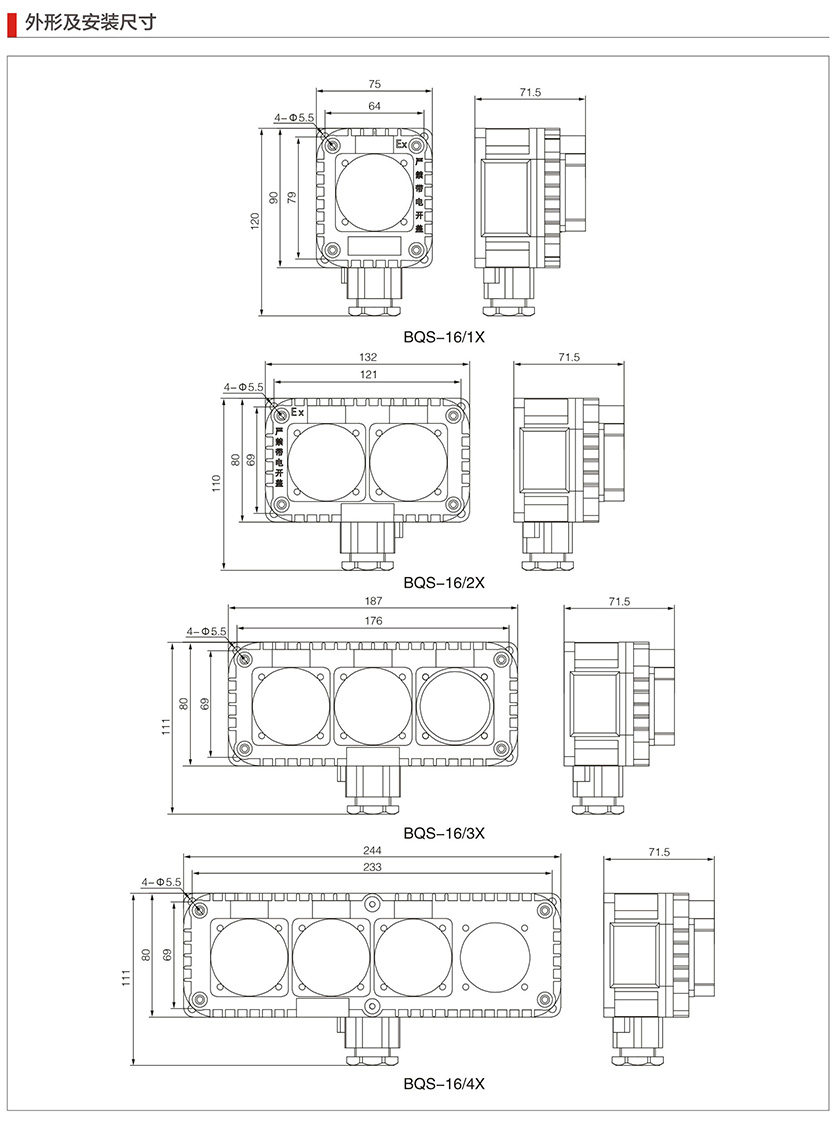
BQS-16系列防爆墙壁插座(IIC、Ex tD)
产品参数
返回
上一个:BQM-10系列防爆墙壁开关(IIC、Ex tD)
下一个:□YZ/YT系列无火花防爆插销
返回列表
点击隐藏
在线客服
电话
15888225320
微信